Мы используем cookie для наилучшего представления нашего сайта. Подробнее об этом в Политике конфиденциальности.
Ок

Абакан

Ваш город:
Абакан (Республика Хакасия)?
Нет
Да
Каталог
Каталог Написать в WhatsApp
Мотоэкипировка

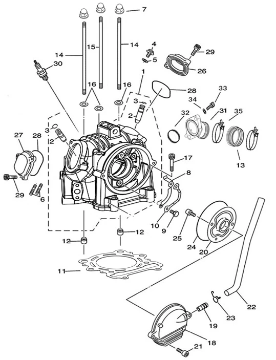
Головка блока цилиндра КВАДРОЦИКЛА STELS ATV 450 H

Головка блока цилиндра КВАДРОЦИКЛА STELS ATV 450 H в Красноярске: актуальный каталог, цены, фото, описание. Купите головка блока цилиндра квадроцикла stels atv 450 h в кредит – оформите заявку онлайн за 1 минуту!

Оригинальные запчасти

Артикул НАИМЕНОВАНИЕ Кол-во деталей в узле Примечание Наличие Цена Аналоги Фото
1 LN000891 Головка блока цилиндра 12200-F13-0002

Под заказ

1

Под заказ

уточнить

Купить
2 LN001580 Головка блока цилиндра, в сборе 12200-F13-0002A

Под заказ

1

Под заказ

уточнить

Купить
3 LU048992 Головка блока цилиндра, в сборе 12200-F13-0002A_

Под заказ

1

Под заказ

уточнить

31 390

Купить
4 LN001024 Втулка направляющая клапана, сталь 12202-F11-0000

Под заказ

2

Под заказ

уточнить

Купить
5 LN001025 Кольцо стопорное направляющей втулки клапана, сталь 12203-F11-0000

Под заказ

2

Под заказ

уточнить

Купить
6 LU022767 Шайба 6.2х15х1.7мм, алюм.сплав 90601-F11-0000,90601-F18-0000,90603-F39-0000

Под заказ

1

Под заказ

уточнить

20

Купить
7 12206-F11-0000 Пластина прижимная распредвала I, сталь 12206-F11-0000

Под заказ

1

Под заказ

уточнить

Купить
8 GB/T 5783-2000 Болт с шестигранной головкой М6×12 ДВС 1P61FML-PRO ATV GBM, PROMAX, FIDET и т.д

Под заказ

2

Под заказ

уточнить

Купить
9 12207-F11-0000 Пластина прижимная распредвала II, сталь 12207-F11-0000

Под заказ

1

Под заказ

уточнить

Купить
10 LN001570 Прокладка головки блока цилиндра, сталь 12250-F13-0002

В наличии

1

В наличии

3 010

3 630

Купить
11 LU022770 Втулка направляющая 14x16мм, сталь 90802-F11-0000

Под заказ

2

Под заказ

уточнить

100

Купить
12 14802-F13-0000 Патрубок впускной блока цилиндра, резина 14802-F13-0000

Под заказ

1

Под заказ

уточнить

Купить
13 12209-F13-0002 Шпилька M10x1.25x256мм, сталь 12209-F13-0002

Под заказ

2

Под заказ

уточнить

Купить
14 12208-F13-0002 Шпилька M10x1.25x221мм, сталь 12208-F13-0002

Под заказ

2

Под заказ

уточнить

Купить
15 GB/T 70.1-2000 Болт с шестигранной головкой М6×16 ДВС 1P61FML-PRO ATV GBM, PROMAX, FIDET и т.д

Под заказ

2

Под заказ

уточнить

Купить
16 LU044429 Крышка головки блока цилиндра, левая 12331-F12-0000_

Под заказ

1

Под заказ

уточнить

170

Купить
17 12332-F12-0000 Штуцер дренажный крышки головки блока цилиндра, резина 12332-F12-0000

Под заказ

1

Под заказ

уточнить

Купить
18 12208-F12-0000 Пластина головки блока цилиндра 12208-F12-0000

Под заказ

1

Под заказ

уточнить

Купить
19 18601-F12-0000 Трубка дренажная крышки головки блока цилиндра, резина 18601-F12-0000

Под заказ

1

Под заказ

уточнить

Купить
20 91501-F12-0000 Хомут пружинный, сталь 91501-F12-0000

Под заказ

1

Под заказ

уточнить

Купить
21 LU020510 Кольцо уплотнительное 109х2.4мм, резина 91204-F11-0000

Под заказ

1

Под заказ

уточнить

160

Купить
22 LU014743 Болт с фланцем M6x1.0x 12мм, сталь 9102-06-012

Под заказ

2

Под заказ

уточнить

70

Купить
23 12361-F11-0000 Крышка клапанного механизма (впускн.), алюмин.сплав 12361-F11-0000

Под заказ

1

Под заказ

уточнить

260

Купить
24 12362-F11-0000 Крышка клапанного механизма (выпускн.), алюмин.сплав 12362-F11-0000

Под заказ

1

Под заказ

уточнить

290

Купить
25 LU013174 Кольцо уплотнительное 58.0х2.4мм, резина 91205-F11-0000

Под заказ

2

Под заказ

уточнить

110

Купить
26 LU018894 Свеча зажигания DR8EA NGK 2.1.01.0570,33300-F11-0000

Под заказ

1

Под заказ

уточнить

910

показать аналоги Купить
27 LU046759 Коллектор впускной, пластик 14800-F13-0002

Под заказ

1

Под заказ

уточнить

670

Купить
28 91207-F11-0000 Кольцо уплотнительное 44×2.0мм, резина 91207-F11-0000

Под заказ

1

Под заказ

уточнить

Купить
29 LU014078 Винт с цилиндр.головк.и шестигр.шлицем M8х1.25х 25мм, сталь 9132-08-025

В наличии

2
сталь
сталь

В наличии

330

70

Купить
30 14801-F12-0000 Хомут впускного патрубка, сталь 14801-F12-0000

Под заказ

2

Под заказ

уточнить

Купить

Нулевая цена не означает отсутствие товара. Оформите заказ, и менеджер сообщит вам цену и наличие товара, предварительно запросив их у поставщика

Главная Магазины
Корзина0
Профиль