Каталог
Каталог Написать в WhatsApp
Мотоэкипировка

ГРМ КВАДРОЦИКЛА STELS UTV 500 H

ГРМ КВАДРОЦИКЛА STELS UTV 500 H в Красноярске: актуальный каталог, цены, фото, описание. Купите грм квадроцикла stels utv 500 h в кредит – оформите заявку онлайн за 1 минуту!

Оригинальные запчасти

Артикул НАИМЕНОВАНИЕ Кол-во деталей в узле Примечание Наличие Цена Аналоги Фото
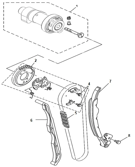
1 LU022861 Распредвал в сборе 14100-F18-0000

Под заказ

1

Под заказ

8 780

8 770

Купить
2 LN000581 Распредвал с шестерней ГРМ в сборе 14100-F18-000A

Под заказ

1

Под заказ

9 410

Купить
3 LU022862 Шестерня ГРМ ведомая, в сборе 14320-F18-0000

Под заказ

1

Под заказ

3 470

4 510

Купить
4 LU022860 Болт с фланцем M7х1.0х11мм , сталь 1420622

Под заказ

2

Под заказ

уточнить

Купить
5 LU022866 Цепь привода ГРМ M7-6.35-124

Под заказ

1

Под заказ

2 600

3 180

Купить
6 LU022869 Успокоитель цепи ГРМ 14630-F18-0000

Под заказ

1

Под заказ

930

1 260

Купить
7 LU022870 Башмак натяжителя цепи ГРМ 14520-F39-0000

Под заказ

1

Под заказ

930

1 060

Купить

Нулевая цена не означает отсутствие товара. Оформите заказ, и менеджер сообщит вам цену и наличие товара, предварительно запросив их у поставщика

Главная Магазины
Корзина0
Профиль