Мы используем cookie для наилучшего представления нашего сайта. Подробнее об этом в Политике конфиденциальности.
Ок

Абакан

Ваш город:
Абакан (Республика Хакасия)?
Нет
Да
Каталог
Каталог Написать в WhatsApp
Мотоэкипировка

Кронштейн транца 2-Х ТАКТНОГО ПЛМ MERCURY 150 PRO XS L OPTIMAX Серийный номер от 1B690542 и выше

Кронштейн транца 2-Х ТАКТНОГО ПЛМ MERCURY 150 PRO XS L OPTIMAX Серийный номер от 1B690542 и выше в Красноярске: актуальный каталог, цены, фото, описание. Купите кронштейн транца 2-х тактного плм mercury 150 pro xs l optimax серийный номер от 1b690542 и выше в кредит – оформите заявку онлайн за 1 минуту!

Оригинальные запчасти

Артикул НАИМЕНОВАНИЕ Кол-во деталей в узле Примечание Наличие Цена Аналоги Фото
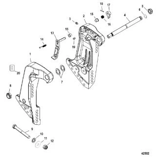
1 828333A09 BRACKET KIT-TRANS

Под заказ

1

Под заказ

уточнить

Купить
2 98727 GREASE FITTING, PORT TRANSOM BRACKET

Под заказ

1

Под заказ

уточнить

Купить
3 826125A1 TILT TUBE

Под заказ

1

Под заказ

уточнить

Купить
4 826135 NUT, (1.00-14)

Под заказ

1

Под заказ

уточнить

Купить
5 45711 Уплотнительное кольцо (O RING@5)

Под заказ

1

Под заказ

уточнить

Купить
6 88750 WAVE WASHER, TILT TUBE

Под заказ

2

Под заказ

уточнить

Купить
7 826164 NUT, (.875-14)

Под заказ

1

Под заказ

уточнить

Купить
8 8M0115104 LEVER ASSY

Под заказ

1

Под заказ

уточнить

Купить
9 830899 SPRING, Tension

Под заказ

1

Под заказ

уточнить

Купить
10 65830 BUSHING, TILT LEVER

Под заказ

2

Под заказ

уточнить

Купить
11 830900 SPRING, Compression

Под заказ

1

Под заказ

уточнить

Купить
12 99633 KNOB, TILT LOCK LEVER

Под заказ

1

Под заказ

уточнить

Купить
13 99615 GROOVE PIN

Под заказ

1

Под заказ

уточнить

Купить
14 893709 PIN-GROOVED

Под заказ

1

Под заказ

уточнить

Купить
15 8M0043060 DECAL, Warning

Под заказ

1

Под заказ

уточнить

Купить

Нулевая цена не означает отсутствие товара. Оформите заказ, и менеджер сообщит вам цену и наличие товара, предварительно запросив их у поставщика

Главная Магазины
Корзина0
Профиль