Мы используем cookie для наилучшего представления нашего сайта. Подробнее об этом в Политике конфиденциальности.
Ок

Абакан

Ваш город:
Абакан (Республика Хакасия)?
Нет
Да
Каталог
Каталог Написать в WhatsApp
Мотоэкипировка

Карбюратор 2-Х ТАКТНОГО ПЛМ MERCURY 3.3M Серийный номер от 0D901217 до 0G710612

Карбюратор 2-Х ТАКТНОГО ПЛМ MERCURY 3.3M Серийный номер от 0D901217 до 0G710612 в Красноярске: актуальный каталог, цены, фото, описание. Купите карбюратор 2-х тактного плм mercury 3.3m серийный номер от 0d901217 до 0g710612 в кредит – оформите заявку онлайн за 1 минуту!

Оригинальные запчасти

Артикул НАИМЕНОВАНИЕ Кол-во деталей в узле Примечание Наличие Цена Аналоги Фото
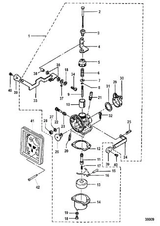
1 815076A1 Набор прокладок 2,5/3,3 дв. блок (GASKET SET-P/H)

Под заказ

N/A

Под заказ

уточнить

Купить
2 855546A3 Рем. набор карбюратора (REPAIR KIT-CARB)

Под заказ

N/A

Под заказ

уточнить

Купить
3 8231752 CARBURETOR ASSEMBLY

Под заказ

N/A

Под заказ

уточнить

Купить
4 823040A4 Карбюратор (CARBURETOR)

Под заказ

N/A

Под заказ

уточнить

Купить
5 95252 Тросик досселя (THROTTLE WIRE)

Под заказ

N/A

Под заказ

уточнить

Купить
6 95321 BOLT, THROTTLE LEVER

Под заказ

N/A

Под заказ

уточнить

Купить
7 95253 BRACKET, THROTTLE LEVER

Под заказ

N/A

Под заказ

уточнить

Купить
8 95255 PLATE

Под заказ

N/A

Под заказ

уточнить

Купить
9 95323 E-RING, JET NEEDLE

Под заказ

N/A

Под заказ

уточнить

Купить
10 823041 JET NEEDLE

Под заказ

N/A

Под заказ

уточнить

Купить
11 8151261 JET NEEDLE

Под заказ

N/A

Под заказ

уточнить

Купить
12 8151263 Игла карбюратора (JET NEEDLE)

Под заказ

N/A

Под заказ

уточнить

Купить
13 95257 THROTTLE VALVE

Под заказ

N/A

Под заказ

уточнить

Купить
14 952572 Втулка карбюратора (THROTTLE VALVE)

Под заказ

N/A

Под заказ

уточнить

Купить
15 815126A1 JET NEEDLE

Под заказ

N/A

Под заказ

уточнить

Купить
16 95324 Прокладка (GASKET)

Под заказ

N/A

Под заказ

уточнить

Купить
17 95259 FLOAT

Под заказ

N/A

Под заказ

уточнить

Купить
18 95327 Шпонка (PIN)

Под заказ

N/A

Под заказ

уточнить

Купить
19 952621 Направляющая поплавка карбюратора (HINGE-FLOAT)

Под заказ

N/A

Под заказ

уточнить

Купить
20 8150291 MAIN JET (#80)

Под заказ

N/A

Под заказ

уточнить

Купить
21 815029 MAIN JET (#92)

Под заказ

N/A

Под заказ

уточнить

Купить
22 953251 DRAIN SCREW

Под заказ

N/A

Под заказ

уточнить

Купить
23 95263A1 Вилка поплавка карбюратора (HINGE)

Под заказ

N/A

Под заказ

уточнить

Купить
24 952631 Игла карбюратора

Под заказ

N/A

Под заказ

уточнить

Купить
25 952641 Корпус игольчатого клапана (SEAT)

Под заказ

N/A

Под заказ

уточнить

Купить
26 95328 Болт (SCREW, STOP)

Под заказ

N/A

Под заказ

уточнить

Купить
27 95329 SPRING, STOP SCREW

Под заказ

N/A

Под заказ

уточнить

Купить
28 95266 SHUTTER LEVER

Под заказ

N/A

Под заказ

уточнить

Купить
29 95265 CHOKE PLATE

Под заказ

N/A

Под заказ

уточнить

Купить
30 95330 NUT, CHOKE PLATE

Под заказ

N/A

Под заказ

уточнить

Купить
31 95333 SCREW, CLAMP

Под заказ

N/A

Под заказ

уточнить

Купить
32 811601 Кольцо (O-RING)

Под заказ

N/A

Под заказ

уточнить

Купить
33 815071 SCREW

Под заказ

N/A

Под заказ

уточнить

Купить
34 95268 THROTTLE LEVER

Под заказ

N/A

Под заказ

уточнить

Купить
35 815072 SCREW

Под заказ

N/A

Под заказ

уточнить

Купить
36 95238 LOCKWASHER, LEVER SCREW

Под заказ

N/A

Под заказ

уточнить

Купить
37 95336 GASKET, LEVER SCREW

Под заказ

N/A

Под заказ

уточнить

Купить
38 95267 BRACKET

Под заказ

N/A

Под заказ

уточнить

Купить
39 952672 BRACKET

Под заказ

N/A

Под заказ

уточнить

Купить
40 952867 COLLAR

Под заказ

N/A

Под заказ

уточнить

Купить
41 95269 Накладка

Под заказ

N/A

Под заказ

уточнить

Купить
42 95338 Болт (SCREW@5)

Под заказ

N/A

Под заказ

уточнить

Купить
43 815073 COVER

Под заказ

N/A

Под заказ

уточнить

Купить
44 815132 COVER

Под заказ

N/A

Под заказ

уточнить

Купить
45 95339 SCREW, CARBURETOR COVER

Под заказ

N/A

Под заказ

уточнить

Купить

Нулевая цена не означает отсутствие товара. Оформите заказ, и менеджер сообщит вам цену и наличие товара, предварительно запросив их у поставщика

Главная Магазины
Корзина0
Профиль